THÔNG SỐ CHẾ ĐỘ CẮT BẠN NÊN BIẾT ĐỂ LỰA CHỌN DAO PHAY HỢP LÝ
Để lựa chọn Dao Phay hợp lý cho việc gia công cắt gọt bạn nên nắm rõ thông số chế độ cắt dưới đây Chiều Sâu Cắt Chiều sâu cắt t (mm): là khoảng cách giữa bề mặt đã gia công và bề mặt chưa gia công đo theo chiều tiến dao.
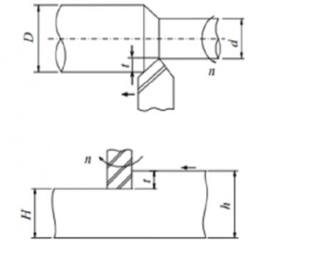
- Khi tiện : t = (D – d )/2 [mm]
- Khi phay : t = H – h [mm]
Chiều sâu cắt khi tiện và phay
Khi t càng lớn, năng suất cắt tăng lên nhưng tăng quá trình mài mòn dao làm tăng độ nhấp nhô bề mặt. Chỉ tiến hành gia công với chiều sâu cắt lớn khi gia công thô. Lượng Chạy Dao Lượng chạy dao S (mm/vòng): Là khoảng cách giữa hai vị trí của một điểm trên lưỡi cắt chính sau một vòng quay của trục chính. Tính chọn S sau các bước:
- Tính S theo sức bền thân dao: S1
- Tính S theo sức bền cơ cấu chạy dao: S2
- Tính S theo độ cứng, vững chi tiết gia công: S3
Sau khi tính S1, S2, S3 ta chọn giá trị nhỏ nhất của lượng chạy dao là St= Smin, Chọn Sm < St , trong đó Sm là lượng chạy dao của máy.
Tốc Độ Cắt
Tốc độ cắt v (m / ph): là quãng đường mà một điểm của dao trên lưỡi cắt chính dịch chuyển được trong một đơn vị thời gian tính tương đối so với phôi. Tốc độ cắt là một yếu tố quyết định đén lực, nhiệt cắt, công suất, năng suất, chất lượng bề mặt gia công v = (π.D.n )/1000 [m/ph] Khi tiện: – D: là đường kính phôi tại điểm đang xét [mm]. – n: là số vòng quay trục chính (vòng quay của phôi) [v/ ph]. Từ S , tính Vcắt , tính số vòng quay trục chính nt = (1000.v )/(π.D) . Chọn vòng quay thực trên máy thường nm1 < nt < nm2, nếu nt nm1 thì ta chọn n = nm1. Nếu nt nm2, thì ta chọn n = nm2 nhưng giảm đi một cấp của lượng chạy dao đến S’ m và so sánh tích số S’ m.nm2 và Sm.nm1. Nếu tích nào lớn hơn thì lựa chọn số vòng quay và lượng chạy dao đó để đảm bảo thời gian gia công cơ bản nhỏ nhất
Bài viết trên đây là những chia sẻ của chúng tôi với mong muốn mang đến cho quý khách hàng những thông tin hữu ích nhất. Ngoài ra, nếu quý khách hàng cần tìm mua các sản phẩm về hợp kim và linh kiện cơ khí khác.
Quý khách có thể liên hệ với chúng tôi thông qua các hình thức sau:
- Hotline: 094 124 7183
- Email: linhkienvanthai@gmail.com
Công ty Văn Thái chúng tôi chuyên cung cấp các linh kiện và tất cả các loại hợp kim theo yêu cầu của khách hàng để sản xuất dao phay gỗ, với mã hợp kim đa dạng như: YG6, YG6Z, YG8, YG3X, YG15C, YG20C, YG25C... tùy vào nhu cầu sử dụng của khách hàng mà chúng tôi có: dây cắt Trường Thành, dây cắt Cánh Chim ( xanh, đỏ ), dây cắt Quang Minh ( cam, xanh ), dây cắt Honglu ( giấy, nhựa ), dây cắt Kim Cương và cả dây cắt Nhôm,… dầu cắt dây DX-2, dầu cắt JIARUN #1 ( JR#1) ( dầu xanh lá ), dầu cắt JUARUN 2A, hộp dầu JIARUN 3A, dầu SDK2, dầu SDK 3 ( dầu vàng ), dầu SDK 118, dầu WED-218 và cả dầu mài JD,…. Động cơ điện, động cơ bước tiến, bánh xe (puly), nút đồng, nắp đậy, bộ bạc đạn bánh xe, bạc đạn, động cơ điện, máy bơm, card HL, dây Curoa, hợp kim dẫn điện,….
Lựa chọn Văn Thái và các sản phẩm do Văn Thái cung cấp quý khách sẽ vô cùng hài lòng vì chúng tôi có:
- Dịch vụ giao hàng nhanh
- Hậu mãi tốt
- Sản phẩm giá thành hợp lí, chủng loại đa dạng
